HONDA CALIPER & ROTOR KIT,FRONT,DPHA,DRILLED,RED
HONDA CALIPER & ROTOR KIT,FRONT,DPHA,DRILLED,RED
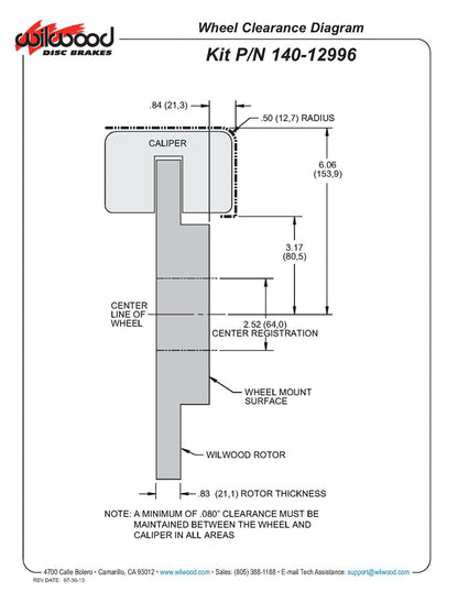
SKU:WIL 140-12996DR
Regular price
$690.65
Regular price
Sale price
$690.65
Unit price
per
Yes, we have this item in stock and ready to ship immediately!
Couldn't load pickup availability

FITS:
-
ACURA:
-
INTEGRA:
- 1990-1996, ALL*
- 1997-2001, ALL EXCEPT TYPE R*
- 1990-1996, ALL*
-
INTEGRA:
-
HONDA:
-
CIVIC:
- 1993-2005 COUPE EX*
- 1999-2000 COUPE SI*
- 1994-1995 HATCHBACK SI*
- 1996-1997 HATCHBACK, ALL*
- 1990-2005 SEDAN EX*
- 1994-1996 SEDAN LX*
- 2001-2005 SEDAN GX*
- 2002-2003 SI / SIR*
- 2004-2005 LX*
- 2004-2005 SE*
- 2005 DX, HX, AND VP*
- 1993-2005 COUPE EX*
-
CIVIC:
KIT INCLUDES PARTS FOR BOTH FRONT WHEELS:
-
DRILLED & SLOTTED, .83" THICK X 10.32" (262MM) O.D. ROTORS
- DYNAPRO HA 4 PISTON CALIPERS - RED
- BP-10 SMART COMPOUND BRAKE PADS
- MOUNTING BOLTS NECESSARY TO INSTALL THE CALIPERS ON BOTH FRONT WHEELS