59-64 IMPALA,57-62 CORVETTE,REAR,11",RED
59-64 IMPALA,57-62 CORVETTE,REAR,11",RED
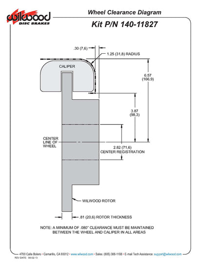
SKU:WIL 140-11827R
Regular price
$1,125.84
Regular price
Sale price
$1,125.84
Unit price
per
Yes, we have this item in stock and ready to ship immediately!
Couldn't load pickup availability

CHEVROLET:
-1959-1964 CHEVY BEL AIR*
-1959-1964 CHEVY BISCAYNE*
-1959-1964 CHEVY BROOKWOOD*
-1959-1960 CHEVY EL CAMINO WITH DRUM BRAKE SPINDLES*
-1959-1964 CHEVY IMPALA*
-1957-1962 CHEVY CORVETTE*
*STANDARD, .810" THICK x 11.00" O.D. ROTORS,
*LOW-PROFILE DYNAPRO CALIPERS - RED,
*CALIPER MOUNTING BRACKETS,
*DRUM PARKING BRAKE ASSEMBLIES,
*BP-10 SMART COMPOUND BRAKE PADS, &
*ALL HARDWARE NECESSARY TO INSTALL THE COMPLETE BRAKING SYSTEM ON BOTH REAR WHEELS


