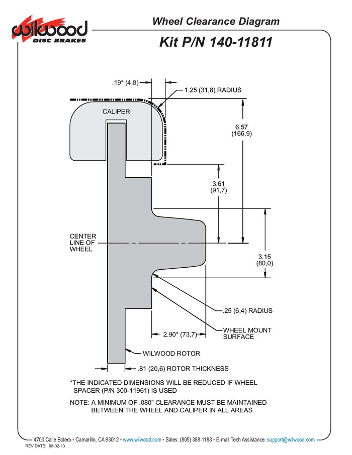
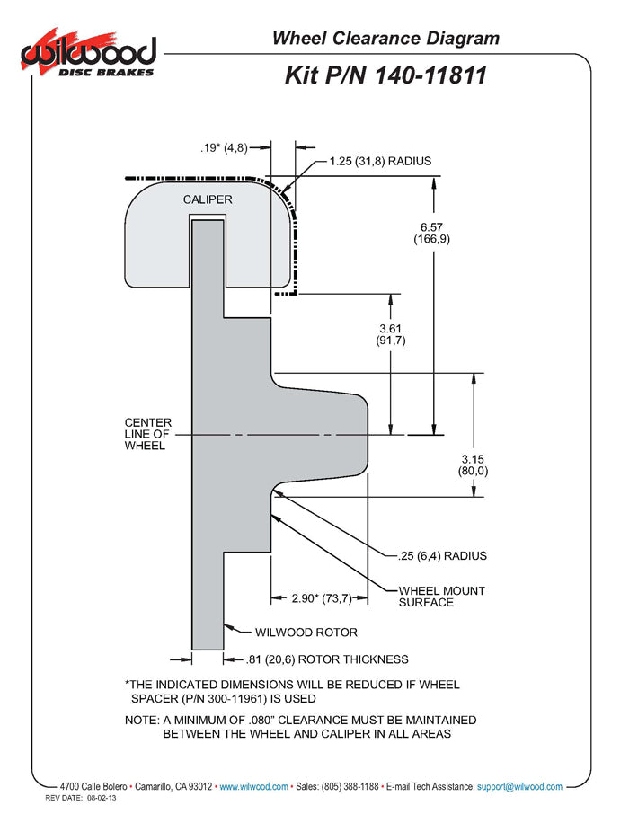
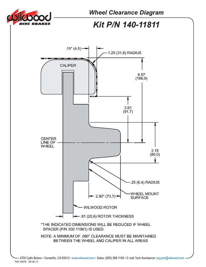
53-62 CORVETTE,49-54 CHEVY,11",POLISHED
53-62 CORVETTE,49-54 CHEVY,11",POLISHED
SKU:WIL 140-11811P
Regular price
$1,271.73
Regular price
Sale price
$1,271.73
Unit price
per
Yes, we have this item in stock and ready to ship immediately!
Couldn't load pickup availability

CHEVROLET:
-1953-1954 CHEVY 150*
-1953-1954 CHEVY 210*
-1953-1954 CHEVY BEL AIR*
-1953-1962 CHEVY CORVETTE*
-1950-1952 CHEVY DELUXE*
-1949-1952 CHEVY FLEETLINE*
-1949 CHEVY FLEETMASTER*
-1949 CHEVY PASSENGER*
-1949 CHEVY SEDAN & DELIVERY*
-1950-1952 CHEVY STYLELINE*
-1949 CHEVY STYLEMASTER*
*STANDARD, .810" THICK X 11.00" O.D. ROTORS,
*FORGED DYNALITE CALIPERS - POLISHED,
*CALIPER MOUNTING BRACKETS,
*BP-10 SMART COMPOUND BRAKE PADS,
*HUBS,
*BEARINGS,
*SEALS, &
*ALL HARDWARE NECESSARY TO INSTALL THE COMPLETE BRAKING SYSTEM ON BOTH FRONT WHEELS