90-01 HONDA/ACURA FULL DISC BRAKE KIT,12" DRILLED,DP6,BLACK,2.39 OFFSET REAR
90-01 HONDA/ACURA FULL DISC BRAKE KIT,12" DRILLED,DP6,BLACK,2.39 OFFSET REAR
SKU:WIL 140-10735X4D
Yes, we have this item in stock and ready to ship immediately!
Couldn't load pickup availability

Brand New Wilwood Complete Premium Big Brake Front & Rear 12.19" Disc Brake Kit.
Complete Kit Includes:
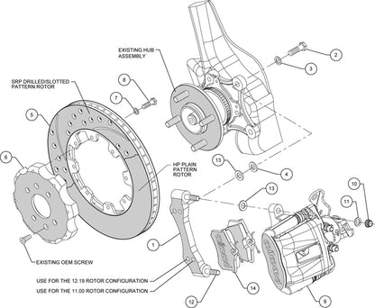
- Forged Dynapro 6 Piston Bolt-On Front Hat & 12.19" Disc Brake Kit (Part #140-10735-D) for Both Front Wheels
- Combination Parking Brake Bolt-On Rear Hat & 12.19" Disc Brake Kit (Part #140-10207-D) for Both Rear Wheels
- Full Line Kit for the Front with 18" Steel Braided Lines, Caliper Fittings, and Brake Line Fittings
- Full Line Kit for the Rear with 18" Steel Braided Lines, Caliper Fittings, and Brake Line Fittings
See the lists, the diagrams, & the assembly booklets below for a detail of the parts included.
Fits:
-
Acura:
- Integra:
- 1990-1996, all
- 1997-2001, all except Type R
- EL:
- 2001, all
- Integra:
-
Honda:
- Civic Coupe:
- 1994-1995 EX, all with Rear Discs and with ABS
- 1999-2000 SI, all
- Civic Hatchback:
- 1994-1995 SI, all with ABS
- Civic Sedan:
- 1992-1995 EX, all with Rear Discs and with ABS
- Del Sol:
- 1994, all with Rear Discs and with ABS VTEC
- 1995-1997, all with Rear Discs and with ABS
- Civic Coupe:
- *These are all for the 4 lug applications
Wilwood brake kits consist of specifically engineered & matched groups of components designed to provide superior brake system performance & custom appeal over a wide range of applications.
For the Front, Dynapro 6 forged billet calipers are combined with oversized 12.19" o.d. rotors, and high performance Wilwood brake pads deliver big brake stopping power with high-tech style. They are fully compatible with OE master cylinder output, while retaining the full factory ABS functions.
For the Rear, Combination hydro-mechanical Parking Brake calipers use hydraulic pressure from the master cylinder for stopping power, and an internal mechanical lock within the caliper for a parking brake. The calipers are coupled with oversized two-piece rotor assemblies with aluminum hats and high friction BP-10 compound pads. CPB kits provide the correct balanced brake performance for high performance applications.
These kits are the perfect compliment wheel, tire, and suspension upgrades on all types of daily drivers, race vehicles, and ultra-styled show machines.
Each kit is engineered specific for each vehicle.
These Big Brake kits require at least 16" diameter wheels.
Front kit includes parts for both front wheels:
- Drilled & Slotted, .810" Thick x 12.19" O.D. Rotors
- Dynapro 6 Piston Calipers - Black
- Caliper Mounting Brackets
- BP-10 Smart Compound Brake Pads
- Brake Hats
- All Hardware necessary to install the complete braking system on both front wheels
Rear kit includes parts for both rear wheels:
- Drilled & Slotted, .810" Thick x 12.19" O.D. Rotors
- Combination Parking Calipers - Black
- Caliper Mounting Brackets
- BP-10 Smart Compound Brake Pads
- Brake Hats
- All Hardware necessary to install the complete braking system on both rear wheels
Complete kit weighs approximately 78 lbs.
You can view and download the complete assembly instruction booklet for the Front Kit and the Rear Kit.