88-98 C1500 CURRIE REAR END & 2" DROP WILWOOD BRAKE KIT,13" ROTORS,RED CALIPERS
88-98 C1500 CURRIE REAR END & 2" DROP WILWOOD BRAKE KIT,13" ROTORS,RED CALIPERS
SKU:CUR GMC8898X5-26
Regular price
$8,799.99
Regular price
Sale price
$8,799.99
Unit price
per
Yes, we have this item in stock and ready to ship immediately!
Couldn't load pickup availability

Brand New Rear End and Brake Kit, with 2" Drop Spindles, for 1988-1998 GM Trucks (Part #GMC8898X5-K26).
This specific set features 2" Drop Spindles and Wilwood brakes with 13" Front & 13" Rear Rotors and Red Calipers.
Fitment:
-
Chevy Trucks:
- All 1988-1998 C1500 2wd Trucks with 5-Lug wheels
-
GMC Trucks:
- All 1988-1998 C1500 2wd Trucks with 5-Lug wheels
Includes:
-
Currie 9-Plus Notch-Back Rear End with 31 Spline Axles (Currie #CE-GMC8898X5)
- Currie Crate Rear Ends are designed to be a bolt-in upgrade
- 31 Spline performance axle package
- Built to the stock overall width (65") and pinion offset specs
- 65" is measured outside-of-axle-flange to outside-of-axle-flange, in other words, where the wheel bolts on to where the wheel bolts on
- Includes heavy-duty GM leaf spring pads and shock mounts weld-on in the stock location
- Housing includes all 3rd member studs installed
-
Axles include:
- Stock 5 x 5" wheel bolt pattern
- 1/4" Thick heavy-duty bearing retainer plates
- Tapered Timken style wheel bearings pressed on
- The Axle flanges on this rear end are the Big Bearing Ford (New Style), also known as "Torino", which fit the Wilwood brakes perfectly
-
Southwest Speed 9" Ford Rear End Third Member with Posi Trac-Loc (SWS Part #603-2078)
- This kit comes with a 3.70 ratio gear, which is a good cruising ratio. We have ratios from 3.50 to 5.00 that can be substituted in. If you would like a different ratio besides the 3.70, just make sure to request that.
- 9" Ford case is reconditioned and sold completely assembled with:
- New 31 Spline Trac-Loc Posi Unit
- 4 Pin limited slip trac loc
- Brand new, not rebuilt
- This is a clutch style posi unit
- Using this product does require friction modifier in the gear lube
- New Premium Ring & Pinion
- New Solid Shim Set
- New Bearings
- New Pinion Yoke
- 3rd Member Gasket
- Instructions Detailing Proper Break-In Procedure
- New 31 Spline Trac-Loc Posi Unit
- Professionally set up with proper lash
- Pinion is precision matched to ring gear
- Pinion yoke is 1310 series "short" yoke; Accepts 1310 series u-joints, which have 1 1/16" outside diameter cups and measure 3 7/32" wide to the outside of the cups
- Shipped in heavy cardboard box with foam to prevent any damage in shipping
- **Due to the nature of high performance ring & pinions, some gear noise is a possibility with these 3rd members**
- In addition to this kit, we have driveshafts that will fit this application here. We would just need to know what length your specific vehicle requires.
-
Wilwood 2" Drop Pro Spindles (Wilwood Part #831-15933):
- Wilwood's ProSpindles are specifically designed for use with Wilwood's disc brake kits
- The one-piece spindle and steering arm design gives the 2" drop for a more aggressive stance & improved handling without affecting steering geometry
- Constructed from a proprietary grade of cast steel
-
Wilwood Disc Brake Kit with Standard Rotors and Red Calipers (Wilwood Part #140-15949-R Front & #140-9219-R Rear):
- Wilwood brake kits consist of specifically engineered & matched groups of components designed to provide superior brake system performance & custom appeal over a wide range of applications.
- For the Front, the unsurpassed braking capacity of the Forged Narrow Superlite 6R six-piston caliper serves as the base of this 13.06" big rotor kit. FNSL6R kits are engineered application specific for simplified installation and full compatibility with OE master cylinder output and ABS functions where used. Big brake kits provide increased brake capacity and complimentary style with wheel, tire, and suspension upgrades.
- For the Rear, Forged Superlite rear disc brake kits provide a complete solution for popular muscle car rear axle. FNSL4R four-piston calipers, 13" hat and rotor assemblies, and high friction pads provide optimized and balanced braking for all types of custom performance street/strip and show machines. The neatly hidden internal shoe system provides a clean installation with superior static holding power for parking
- These Brake kits require at least 17" diameter wheels
-
Front Brake Kit includes:
- 1.25" Thick x 13.06" O.D. Rotors
- Forged Narrow Superlite 6 Piston Calipers - Red
- Caliper Mounting Brackets
- Brake Hats
- BP-10 Smart Compound Brake Pads
- Hubs, Bearings, Seals &
- All Bolts, Washers, and Shims necessary to install the complete braking system on both front wheels
- 1.25" Thick x 13.06" O.D. Rotors
-
Rear Brake Kit includes:
- 1.10" Thick x 12.90" O.D. Rotors with Hats
- Forged Superlite 4 Piston Calipers - Red
- Caliper Mounting Brackets
- Drum Parking Brake Assemblies
- Brake Hats
- BP-10 Smart Compound Brake Pads
- All Bolts, Washers, and Shims necessary to install the complete braking system on both rear wheels
- You can view and download the complete assembly instruction booklet for the front brake kit here and for the rear brake kit here.
- We also offer the Wilwood kits with different options, including Black and Red calipers, with both standard and drilled/slotted rotors in several different sizes. You can see all of the options below. Just let us know if you would like to upgrade to one of these other kits:
-
Front & Rear Flexline Kits:
- Steel braided brake lines, caliper fittings, and chassis fittings to connect the calipers to the hard lines
- Also includes weld-on line tabs to install on your rear end
-
Rear Hard Line Kit:
- Steel hard brake line tubing to connect the chassis fittings to the included rubber hose
- Rubber hose connects those hard lines to the line on the frame
- Note: Tubing bending is generally necessary for the installation of these lines
- **The front flexline kit connects to the stock hard lines on your car**
-
Rear Parking Brake Cable Kit:
- Connects to the Wilwood Parking Brake Assemblies, then comes together to join the stock cable behind the transmission
-
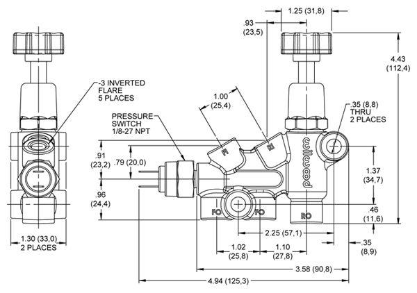
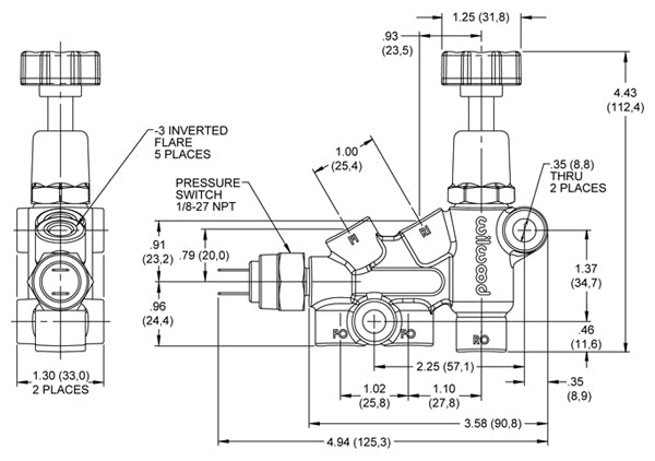
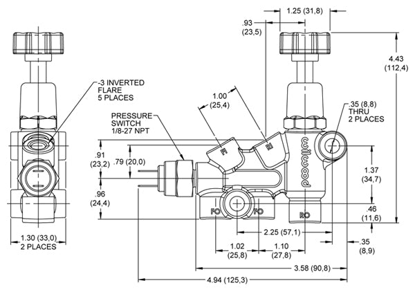
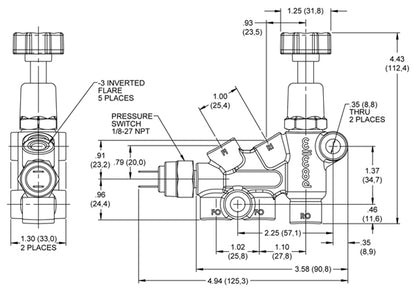
Wilwood Polished Master Cylinder & Proportioning Valve Set (Wilwood Part #261-13270-P):
- Polished Tandem Chamber Master Cylinder:
- 1 1/8" Bore cylinder
- Wilwood tandem chamber master cylinders represent the latest refinements in brake pressure actuation and fluid control. The exclusive Wilwood features incorporated in this innovative and unique new design make it the perfect choice for a wide range of custom manual or power brake applications.
- High-pressure die casting of a premium alloy produces a high-capacity body that is lightweight, looks great, and has the durability for competition. A black anodized, machined billet lid captures a pressure balanced bellows gasket with 100% sealing against moisture invasion or fluid leakage.
- Each master cylinder is configured with full separation between the front and rear reservoir chambers and fluid outlets. There is pressure access on both sides of the piston bore for right or left hand plumbing based on mount location. A total piston stroke of 1.10" is distributed at a 2:1 volume ratio between the primary and secondary chambers.
- Diagram shown at the bottom
- Adjustable Combination Proportioning Valve:
- Simplifies mounting, fluid circuit plumbing, brake light wiring, and brake bias adjustments on modified, custom built, or competition vehicles equipped with brake system upgrades
- Maintains full separation between the front and rear fluid circuits
- Bias proportioning adjustment is provided in the rear fluid circuit
- The front circuit has a single inlet and two outlets for optional line routing
- A fluid port with a pressure switch responds instantly to pressure in the front fluid circuit for brake light activation. A wiring pigtail with a protective boot is included with the switch
- Diagram shown at the bottom
- Stainless Steel Fluid Tubes:
- Precision bent with preinstalled stainless tube nuts for a simple bolt-on installation
- Mounting Bracket:
- Black e-coating will give years of durable, rust-free performance
- Stainless Steel Button Head Bolts
- You can view and download the instruction booklet for the master cylinder here and for the proportioning valve here
- Polished Tandem Chamber Master Cylinder: